磁気冷凍法での水素液化に前進 NIMSなどが実用的な方法での実証に成功

2022年4月12日 07:36

 いま、未来のエネルギー媒体として大きな注目を集めている水素であるが、もちろんクリアされなければならない技術的課題は数多い。その中でも「コスト」という要素は分かりやすい部類に入るだろうが、まず、水素はできれば貯蔵や輸送に際して液化して容積を減らしたい、という問題がある。

【こちらも】川崎重工、世界初の液化水素運搬船「すいそ ふろんてぃあ」を公開

 水素を液化するにはマイナス253度にしなければならない。気体式冷凍機という既存の手法でこれを実現することはできるのだが、この手法による水素の液化効率は最大25%程度。現状、水素の製造コストの3分の1ほどが、この液化の過程に費やされている。よって、水素社会の実現には、この液化を効率化する画期的な技術が要請されていた。

 そのための技術として、磁気冷凍法に期待が集まっていた。磁気冷凍とは、磁場の有無を変化させた際に発生する吸熱を利用した冷却法である。気体式冷凍機と違い圧縮機が必要なく、理論的には、50%の液化効率が達成できるはずであるとされている。

 しかし、既存の水素液化用の磁気冷凍は、動作温度範囲が極めて狭く、改善が不可欠であった。これを解決するための新技術として、AMRR、能動的蓄冷式磁気冷凍というものが提唱されているのだが、これは極低温での実現が困難であり、エアコンなどでの応用研究しか進んでいなかった。

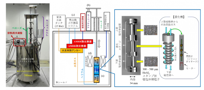
 物質・材料研究機構 (NIMS)、金沢大学、および大島商船高等専門学校からなる研究チームは今回、最適化された超電導磁石の磁場に磁性体を導入することで、高い効率と低発熱による磁場変化を起こす機構を開発。さらに熱交換器、磁性体形状にも改良を加えた。その結果冷却動作温度を拡大し、かつ極低温化での動作も問題がなく、世界で初となる、AMRRによる水素液化が成功したのである。

 研究チームは今後、この技術をさらに発展させることで、高出力・高効率の磁気冷凍機を開発して、低コスト・省エネルギーな水素液化プラントの実現を目指すという。

 なお研究の詳細は、4月11日、Applied Physics Expressにオンライン掲載されている。(記事:藤沢文太・記事一覧を見る

関連記事

最新記事