テクダイヤとサンステラが共同販売。Creality製Ender-5 S1互換「kaika10」
配信日時: 2023-04-07 13:00:00

2023年4月14日(金)より、オンラインにて一般販売開始。
テクダイヤ株式会社(本社:東京港区、社長:小山真吾、以下「テクダイヤ」)と、株式会社サンステラ(本社:東京都豊島区、社長:和田裕介、以下「サンステラ」)は、2023年4月14日(金)より、Creality製Ender-5 S1などに互換する、3Dプリンター用精密ノズル「kaika10」を共同販売いたします。
画像 : https://newscast.jp/attachments/GQ5Bl4MqeHe4yCIKS3Gm.png
販売開始の背景
かねてよりCreality製プリンターEnderと、テクダイヤ製3Dプリンティング用精密ノズルkaikaは相性が良く、好評をいただいておりました。同時に、Ender-5 S1やEnder-7に互換する、kaikaノズル販売のリクエストも多数いただいておりました。お客様の声にお応えすべく、Creality正規販売代理店であるサンステラ協力の下、「kaika10」を開発。より高い造形精度を実現するノズルです。
kaika10特長
kaika最大の特長、内径テーパー30度
スムーズな材料の押し出しを可能にします。
画像 : https://newscast.jp/attachments/fzPpLMzSLHRbkAkYYsuI.jpeg
ㅤㅤㅤㅤㅤㅤ
外径斜度120度の熱保持力に優れたヘッド
ノズルヘッドは、先端衝撃時の緩和とならし効果を向上させるため120度に設計。熱保持力に優れ、シリコンソックスにもフィットします。
ㅤㅤㅤㅤㅤㅤ
純正ノズルより短いネジ部設計
ネジ部は純正ノズルより短く設計し、印刷時の振動によるネジ緩みを抑制。ヒートブロック内でネジ固着によるノズル破損リスクも軽減します。
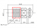
画像 : https://newscast.jp/attachments/cHqFDsLzSyV6xogPQknz.png
販売開始日
2023年4月14日(金) 13:00
販売先
テクダイヤ公式kaika shop: https://shop.kaika-tecdia.com/
サンステラ3Dモール: https://sunstella.co.jp/
Amazon: https://www.amazon.co.jp/stores/kaika/page/5CEFEF2F-16D1-475A-8321-440243BD11CB?ref_=ast_bln
テクダイヤ株式会社について
工業用ダイヤモンド販売の商社からスタートし、顧客の要求に応じて徐々に事業を拡大。現在はセラミック応用技術・精密機械加工技術・ダイヤモンド加工技術をコアとしながら、先端技術のものづくりを支えています。2021年1月より、3Dプリンティング用精密ノズル「kaika」の一般販売を開始。ホビーユーザーのみならず、大学研究機関や産業界からも好評をいただいております。
株式会社サンステラについて
株式会社サンステラはPolymaker・UniFormation・RAYSHAPEブランドの日本総代理店、Creality社・Elegoo社・Tiretime社・SHINING 3D社の日本正規代理店として、世界中の優れた3Dプリント機器・各種造形材料の輸入販売・技術サポートを行っています。11年に及ぶ3Dプリンターのサポート実績と、お客様に安心してお買い求めいただける体制を整えており、2007年の創業より3Dプリンティング分野に対して多くの革新をもたらしています。
詳細はこちら
プレスリリース提供元:NEWSCAST
スポンサードリンク
「テクダイヤ株式会社」のプレスリリース
「その他ライフスタイル」のプレスリリース
- 地域に広がる冬の灯り 第3回i-Mallクリスマスツリー点灯式11/29 10:00
- オンラインセミナー『臨床に活かすポジティブ心理学』を開催します11/28 18:47
- 中高生向け留学イベント「みんな始めている!高校留学の第一歩」12/20(土)にハイブリッド型で開催!11/28 18:00
- 「その他ライフスタイル」のプレスリリースをもっと読む
スポンサードリンク
最新のプレスリリース
- 【新製品】「AODAIDAI(青橙)」 熱海の季節を閉じ込めたSEACLIFF初のSEASONAL EDITION11/29 14:01
- ノジマTリーグ 2025-2026シーズン 公式戦 11月29日開催 トップおとめピンポンズ名古屋 vs 日本ペイントマレッツ 対戦オーダー発表11/29 13:49
- インスタ自動化システム「エルグラム」全ユーザーを一括表示可能に11/29 13:45
- 韓メシ・韓スイーツ「アンニョン」12月1日(月)より「熱々 韓メシフェア」を開始いたします11/29 13:45
- そうだったのか!『今こそ知りたい 珈琲の本』本日11月29日発売!プロから教わる珈琲の極意とは?11/29 13:45
- 最新のプレスリリースをもっと見る
