テクダイヤとサンステラが共同販売。Creality製Ender-5 S1互換「kaika10」
配信日時: 2023-04-07 13:00:00

テクダイヤ株式会社(本社:東京港区、社長:小山真吾、以下「テクダイヤ」)と、株式会社サンステラ(本社:東京都豊島区、社長:和田裕介、以下「サンステラ」)は、2023年4月14日(金)より、Creality製Ender-5 S1などに互換する、3Dプリンター用精密ノズル「kaika10」を共同販売いたします。
画像 : https://newscast.jp/attachments/GQ5Bl4MqeHe4yCIKS3Gm.png
販売開始の背景
かねてよりCreality製プリンターEnderと、テクダイヤ製3Dプリンティング用精密ノズルkaikaは相性が良く、好評をいただいておりました。同時に、Ender-5 S1やEnder-7に互換する、kaikaノズル販売のリクエストも多数いただいておりました。お客様の声にお応えすべく、Creality正規販売代理店であるサンステラ協力の下、「kaika10」を開発。より高い造形精度を実現するノズルです。
kaika10特長
kaika最大の特長、内径テーパー30度
スムーズな材料の押し出しを可能にします。
画像 : https://newscast.jp/attachments/fzPpLMzSLHRbkAkYYsuI.jpeg
ㅤㅤㅤㅤㅤㅤ
外径斜度120度の熱保持力に優れたヘッド
ノズルヘッドは、先端衝撃時の緩和とならし効果を向上させるため120度に設計。熱保持力に優れ、シリコンソックスにもフィットします。
ㅤㅤㅤㅤㅤㅤ
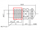
純正ノズルより短いネジ部設計
ネジ部は純正ノズルより短く設計し、印刷時の振動によるネジ緩みを抑制。ヒートブロック内でネジ固着によるノズル破損リスクも軽減します。
画像 : https://newscast.jp/attachments/cHqFDsLzSyV6xogPQknz.png
販売開始日
2023年4月14日(金) 13:00
販売先
テクダイヤ公式kaika shop: https://shop.kaika-tecdia.com/
サンステラ3Dモール: https://sunstella.co.jp/
Amazon: https://www.amazon.co.jp/stores/kaika/page/5CEFEF2F-16D1-475A-8321-440243BD11CB?ref_=ast_bln
テクダイヤ株式会社について
工業用ダイヤモンド販売の商社からスタートし、顧客の要求に応じて徐々に事業を拡大。現在はセラミック応用技術・精密機械加工技術・ダイヤモンド加工技術をコアとしながら、先端技術のものづくりを支えています。2021年1月より、3Dプリンティング用精密ノズル「kaika」の一般販売を開始。ホビーユーザーのみならず、大学研究機関や産業界からも好評をいただいております。
株式会社サンステラについて
株式会社サンステラはPolymaker・UniFormation・RAYSHAPEブランドの日本総代理店、Creality社・Elegoo社・Tiretime社・SHINING 3D社の日本正規代理店として、世界中の優れた3Dプリント機器・各種造形材料の輸入販売・技術サポートを行っています。11年に及ぶ3Dプリンターのサポート実績と、お客様に安心してお買い求めいただける体制を整えており、2007年の創業より3Dプリンティング分野に対して多くの革新をもたらしています。
詳細はこちら
プレスリリース提供元:@Press
スポンサードリンク
「テクダイヤ株式会社」のプレスリリース
「その他ライフスタイル」のプレスリリース
スポンサードリンク
最新のプレスリリース
- 極限の速度と音圧で魂を解き放て! 『MEGATON KICK ‘26』 唯一無二の音ゲー系イベント 2月8日(日)開催!11/22 20:00
- 千葉県館山市在住の難病患者チエさんを支援するクラウドファンディングがスタート〜「誰かを応援したい」という想いを循環させる挑戦〜11/22 19:10
- 2026年2月14日頃発売予定大人気中華BL小説「死亡万華鏡」第1巻表紙を初公開!11/22 18:00
- 大人気中国BLファンタジー小説『二哈和他的白猫師尊』本編完結編7・8巻が本日発売に!11/22 18:00
- 中国ドラマ『九重紫』DVD-SET発売決定!本日より予約受付開始!発売日と同日にレンタルもスタート!11/22 18:00
- 最新のプレスリリースをもっと見る
